特点及用途:
弹性体由整块钢材精密加工而成,承受拉、压力均可,输出灵敏度高、计量准确度高、抗偏载能力强、安装稳定性好。此款传感器广泛用于科研、测控工业及自动化设备的检测与测试。
技术指标:
量 程 SLC-S1:10N、50N
SLC-S2:50N、100N、200N、300N、500N
SLC-S3:1000N、2000N、3000N、6000N
SLC-S4:10kN、20kN、30kN、50kN、60kN
准 确 度 0.02%FS
安 全 过 载 150%FS
安 全 侧 载 30%FS
输 入 阻 抗 400 ± 4Ω
输 出 阻 抗 350 ± 2Ω
工 作 温 度 -40~80℃ (常温型)
激励电压范围 5~15VDC
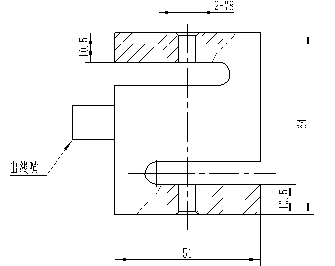
S-1:

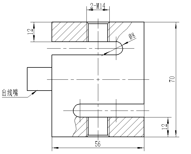
S-2:

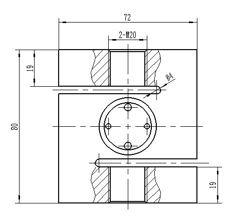
S-3:

S-4:
